概览
产品详情
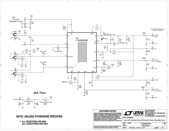
演示电路 2243A 是一款三输出电源,包括一个 400mA 降压型稳压器和两个采用 LT3668 的 200mA 低压差 (LDO) 线性跟踪稳压器。该演示电路专为采用 7V 至 40V 输入产生一个 6V 和两个 5V 输出而设计。两个 LDO 输出被配置为开关稳压器输出的后置稳压器。三个输出通道的总电流容量高达 400mA,而两个 LDO 稳压器各能提供 200mA 电流。
相关产品
文档
-
DC2243A - Schematic2015/3/30PDF84K
-
DC2243A - Demo Manual2015/3/30PDF306K
-
DC2243A - Design Files2015/3/30ZIP2M
