概览
产品详情
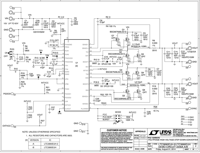
演示电路 2236A-B 是一款采用 LTC3890EUH 的高输出电压、高效同步 PolyPhase® 降压转换器。DC2236A-B 的输入电压范围广,从 16V 至 60V,能够提供高达 25A 的输出电流。输出电压设置为 12V,但是,通过某些修改,输出电压可以高达 24V。DC2236A-B 支持三种工作模式:固定频率调制、脉冲跳跃和 Burst Mode® 操作。固定频率操作模式较大限度提高输出电流、减少输出电压纹波,并产生低噪声开关频谱。突发模式采用了可变频率开关算法,较大限度地降低空载输入静态电流并改善轻负载时的效率。
相关产品
文档
-
DC2236A-B - Schematic2014/9/22PDF49K
-
DC2236A-B - Demo Manual2014/9/22PDF514K
-
DC2236A-B - Design Files2014/9/22ZIP4M





