概览
产品详情
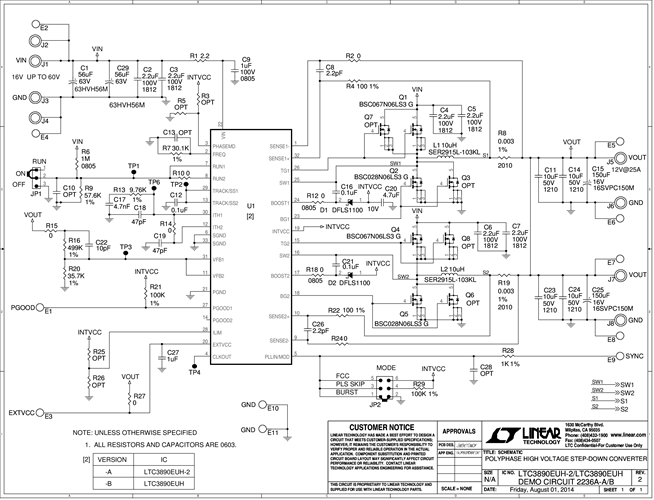
演示电路2236A-A是一款采用LTC3890EUH-2的高输出电压、高效同步PolyPhase®降压转换器。DC2236A-A具有16V至60V的宽输入电压范围,能够提供高达25A的输出电流。输出电压设置为12V,但是,通过某些修改,输出电压可以高达24V。DC2236A-A支持三种工作模式:固定频率调制、脉冲跳跃和Burst Mode®操作。固定频率操作模式较大限度提高输出电流、减少输出电压纹波,并产生低噪声开关频谱。突发模式采用了可变频率开关算法,较大限度地降低空载输入静态电流并改善轻负载时的效率。
相关产品
文档
-
DC2236A-A - Schematic2014/9/22PDF49K
-
DC2236A-A - Demo Manual2014/9/22PDF517K
-
DC2236A-A - Design Files2014/9/22ZIP4M





