概览
产品详情
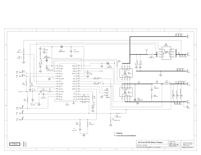
DC219A:LT1505恒流/恒压高效率电池充电器演示板。
相关产品
文档
-
DC219A - Schematic2009/9/24PDF36K
-
DC219A - Design File2009/9/24ZIP252K
