概览
产品详情
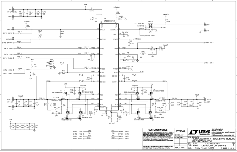
演示电路2190A是一款高输出电压、高效率同步PolyPhase®降压转换器,内置LTC3892EFE-1。该演示电路提供两种版本。两种版本的输入电压范围为16V至55V。DC2190A-A使用两个具有4相交错操作功能的LTC3892EFE-1器件进行配置,提供12V/60A输出,同时DC2190A-B使用一个具有2相交错操作功能的LTC3892EFE-1器件进行配置,提供12V/30A输出。
相关产品
文档
-
DC2190A - Schematic2015/10/2PDF77K
-
DC2190A - Demo Manual2016/5/12PDF740K
-
DC2190A - Design Files2015/10/2ZIP5M




