概览
产品详情
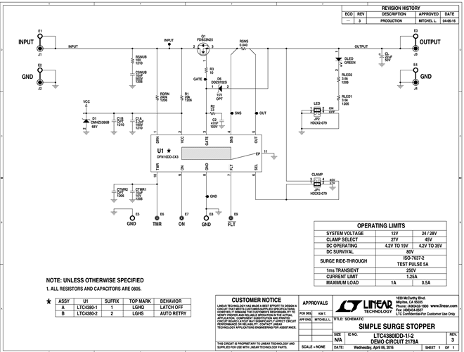
Demonstration circuit 2178A showcases the LTC4380 low quiescent current surge stopper in an application which can be configured for 12V, 1A or 24V/28V, 0.5A operation. The output voltage is clamped by the LTC4380, permitting the load to operate uninterrupted during transients of up to 250V and load dump surges such as ISO-16750-2 Test A. The output current is limited to 1.25A. In the presence of a sustained input overvoltage or output overcurrent fault the LTC4380 shuts off to prevent damage to the N-channel MOSFET pass element.
文档
-
DC2178A - Schematic2016/5/5PDF33K
-
DC2178A - Demo Manual2016/5/5PDF275K
-
DC2178A - Design Files2016/5/5ZIP745K




