概览
产品详情
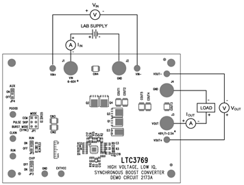
演示电路DC2173A是一款DC/DC同步升压转换器,内置LTC3769恒频电流模式同步升压控制器。DC2173A产生48V输出电压并提供1.5A至6A输出电流。
相关产品
文档
-
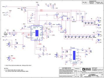
DC2173A - Schematic2014/7/28PDF61K
-
DC2173A - Demo Manual (Rev. B)2014/9/12PDF363 K
-
DC2173A - Design Files2014/7/28ZIP1M






