概览
产品详情
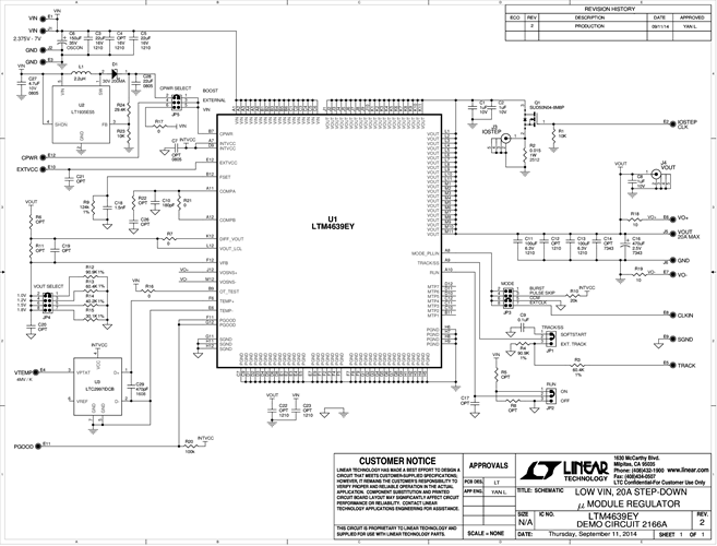
Demonstration circuit 2166A features the LTM4639EY, a 20A high efficiency, switch mode step-down power μModule® regulator. The input voltage range is from 2.375V to 7V. The output voltage range is 0.6V to 5.5V. Derating is necessary for certain VIN, VOUT, frequency and thermal conditions. The DC2166A offers the TRACK/SS pin allowing the user to program output tracking or soft-start period. The board operates in continuous conduction mode in heavy load conditions. For high efficiency at low load currents, the MODE jumper (JP3) selects pulse-skipping mode for noise sensitive applications or Burst Mode® operation in less noise sensitive applications. There is an on board boost circuit using LT1935 to provide control power to LTM4639 when VIN is less than 4.5V. LTM4639 has on board diode connected PNP transistors to monitor its internal temperature. A temperature sensor LTC2997 converts the internal temperature to an analog voltage output. The LTM4639 data sheet must be read in conjunction with this demo manual prior to working on or modifying demo circuit DC2166A.
相关产品
文档
-
DC2166A - Schematic2015/4/24PDF48K
-
DC2166A - Demo Manual2015/4/24PDF867K
-
DC2166A - Design Files2015/4/24ZIP1M
