概览
产品详情
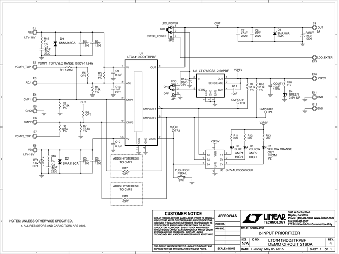
Demonstration circuit 2160A uses the LTC4419 to provide backup switchover, keeping the output load powered during brown out or power loss conditions. Priority is assigned by supply connection to the V1 and V2 inputs. The power source connected to V1 has a higher priority and is monitored by undervoltage switchover threshold comparator CADJ (pin ADJ). If V1 exceeds 1.55V and ADJ is above 1.097V for 64ms, V1 is considered valid, and the LTC4419 connects V1 to the load. If V1 drops below 1.52V, or ADJ drops below 1.047V, V1 is considered invalid, and the LTC4419 powers the load from V2. The DC2160A is populated to provide switchover when V1 drops below 10.19V ±0.33V. The upper limit for V1 is the maximum operating voltage, 18V; however, the recommended V1 voltage is 12V. The resistive divider (R1-R2) of the first auxiliary comparator CMP1 is adjusted to trigger the comparator when VCMP1_TOP’s voltage is in the 9.92V to 10.74V range. Practically, any voltage from the operating range can be selected for V2, however, 5V is recommended to have a standard voltage level.
相关产品
文档
-
DC2160A - Schematic2016/9/1PDF31K
-
DC2160A - Demo Manual2016/9/1PDF357K
-
DC2160A - Design Files2016/9/1ZIP2M




