概览
产品详情
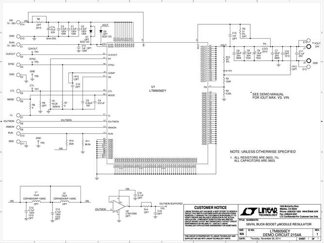
Demonstration circuit 2154A features the LTM8056, a buck-boost μModule® regulator that accepts input voltages lower, higher or the same as the output, but is also highly efficient due to its four-switch architecture. The output for DC2154A is 24V and the input voltage range is 7V to 58V. The maximum output current is 3A and the switching frequency is 525kHz.
文档
-
DC2154A - Schematic2015/2/13PDF35K
-
DC2154A - Demo Manual2015/2/13PDF706K
-
DC2154A - Design Files2015/2/13ZIP995K




