概览
产品详情
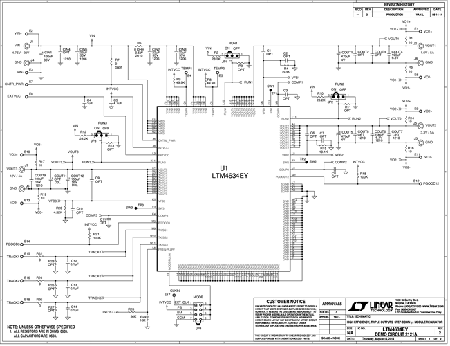
演示电路2121A内置LTM4634,这是一款高效率、三通道5A/5A/4A降压型电源μModule稳压器。输入电压范围为4.75V至28V。通道1和通道2的输出电压范围为0.8 V至5.5 V,通道3为0.8 V至13.5 V。某些VIN、VOUT、频率和热条件须降额使用。DC2121A提供TK/SS引脚,用户可以通过这些引脚设置输出跟踪或软启动周期。在重负载条件下,该板在连续导通模式下工作。
相关产品
文档
-
DC2121A - Schematic2014/10/20PDF65K
-
DC2121A - Demo Manual2014/10/20PDF977K
-
DC2121A - Design Files2014/10/20ZIP1M




