概览
产品详情
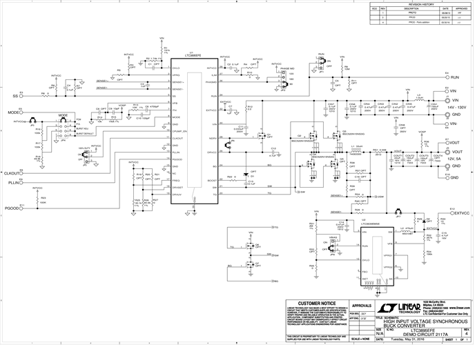
Demonstration circuit 2117A is a single output high voltage nonisolated synchronous step-down converter that drives all N-channel MOSFET power stage. It features the LTC3895EFE, a high voltage step-down DC/DC controller housed in a TSSOP-38 package with several pins removed for high voltage spacing.
相关产品
文档
-
DC2117A - Schematic2016/6/29PDF48K
-
DC2117A - Demo Manual2016/6/29PDF600K
-
DC2117A - Design Files2016/6/29ZIP4M




