概览
产品详情
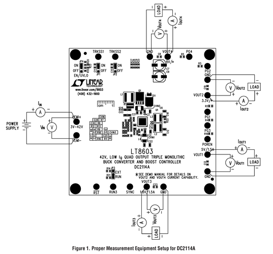
演示电路2114A内置集成3路单芯片降压稳压器和升压控制器的LT8603。该演示电路设计通过12V标称输入提供8.0V、5.0V、3.3V和1.8V输出。第4通道设为升压转换器且提供宽输入范围,如果3V < VIN < 8.5V,则输出VOUT4稳定在8V。如果输入高于8.5V,它将作为二极管通过。两个高压降压稳压器均采用升压转换器供电。VOUT1稳定在5V且具有1.5A最大输出负载电流,而VOUT2稳定在3.3V且具有2.5A最大输出负载电流。得益于预升压转换器,它们可以在汽车应用中运行冷启动,同时提供稳定的输出电压5V和3.3V。低压降压转换器采用VOUT2 (3.3V)电源供电,输出VOUT3稳定在1.8V且具有1.8A最大负载电流。文档
-
DC2114A - Schematic2018/1/10PDF80K
-
DC2114A - Demo Manual2018/1/10PDF1M
-
DC2114A - Design Files2018/1/10ZIP3M



