概览
产品详情
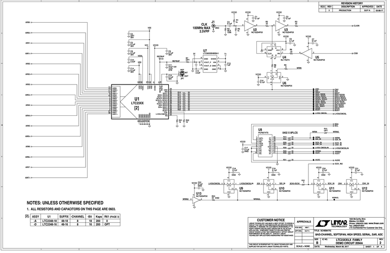
演示电路2094A显示驱动LTC®2348 ADC系列的正确方式。LTC2348/LTC2347/LTC2343均为低噪声、高速、同步采样16/18位逐次逼近寄存器(SAR) ADC。该演示手册针对LTC2348-18,但适用于该系列中的所有器件,主要区别在于位数、通道数和最大采样速率。LTC2348-18具有灵活的SoftSpan™接口,允许对每个通道上的输入电压范围进行转换控制。内部2.048V基准电压和2X缓冲器可简化基本操作,同时外部基准电压源可用于增加ADC的输入范围和SNR。
相关产品
文档
-
DC2094A - Schematic2017/3/21PDF124K
-
DC2094A - Demo Manual2017/3/21PDF1M
-
DC2094A - Design Files2017/3/21ZIP3M




