概览
产品详情
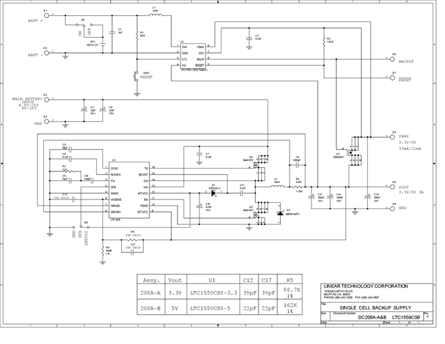
DC208A-B: Demo Board for the LTC1559 Backup Battery Controller with Fixed Output.
相关产品
文档
-
DC208A - Schematic2009/9/24PDF66K
-
DC208A - Design File2009/9/24ZIP529K
