概览
产品详情
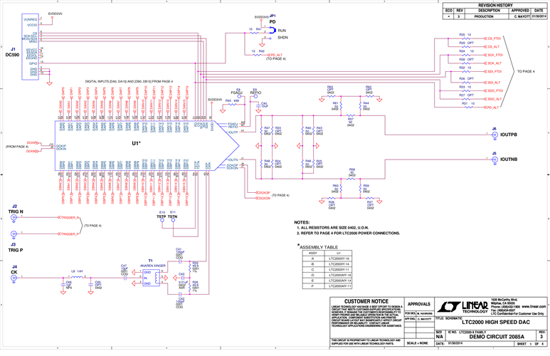
Demonstration circuit 2085 supports the LTC2000 and LTC2000A, a high speed, high dynamic range family of DACs. It was specially designed for applications that require differential DC coupled outputs. DC2085 supports the complete family of the LTC2000 including 16, 14 and 11 bit parts.
Companion Board : Stratix board
相关产品
文档
- 
                                                                
                                                                    
                                                                                                                                            DC2085A - Schematic2015/6/8PDF196K
- 
                                                                
                                                                    
                                                                                                                                            DC2085A - Demo Manual2017/3/21PDF887K
- 
                                                                
                                                                    
                                                                                                                                            DC2085A - Design Files2015/6/8ZIP6M
 
                             
                         
                         
                                                