概览
产品详情
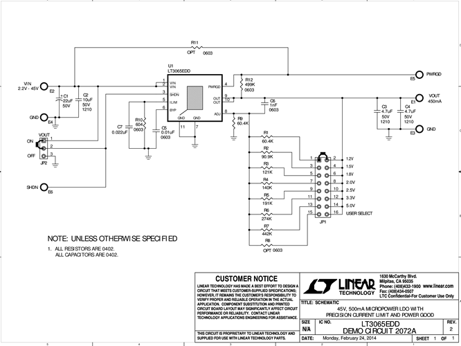
演示电路2072A是一款可调500mA线性稳压器,内置LT3065。LT3065是一款微功耗、低噪声和低压差线性稳压器。该器件提供500mA输出电流,具有300mV的典型压差。10nF旁路电容可在10Hz至100kHz带宽内将输出噪声降至25μVRMS并软启动基准电压源。LT3065的±45V输入电压额定值以及精密限流功能,使IC成为鲁棒、高可靠性应用的理想选择。
文档
-
DC2072A - Schematic2014/2/25PDF31K
-
DC2072A - Demo Manual2014/2/25PDF191K
-
DC2072A - Design Files2014/2/25ZIP602K



