概览
产品详情
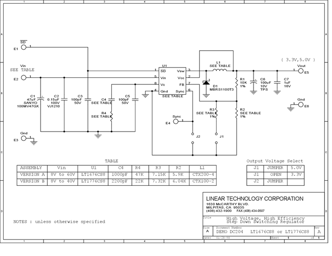
DC204A-B: Demo Board for the LT1776 Wide Input Range, High Efficiency, Step-Down Switching Regulator.
相关产品
文档
-
DC204A - Schematic2009/9/24PDF60K
-
DC204A - Demo Manual2009/9/24PDF335K
-
DC204A - Design File2009/9/24ZIP236K
