概览
产品详情
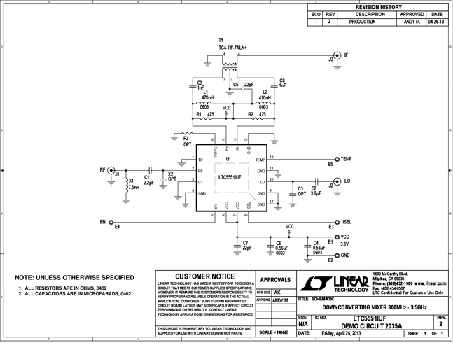
DC2035A: Demo Board for the LTC5551 300MHz to 3.5GHz Ultra-High Dynamic Range Downconverting Mixer.
相关产品
文档
-
DC2035A - Schematic2013/9/3PDF47K
-
DC2035A - Demo Manual2013/9/3PDF432K
-
DC2035A - Design Files2013/9/3ZIP1M




