概览
产品详情
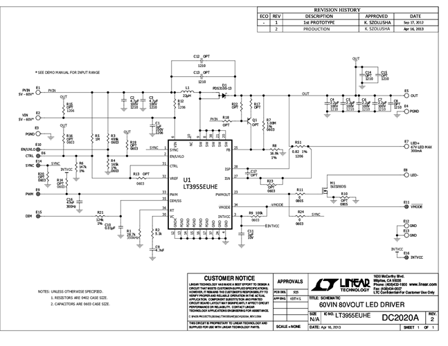
演示电路2020A是一款60VIN、80VOUT LED驱动器。它可以从其内部PWM发生器生成自己的PWMOUT波形,以实现高达33:1亮度比的精确PWM调光。输入电压范围为5V至60V,并可在300mA时驱动高达67V的LED(当PVIN小于VLED时)。DC2020A具有LED串的PWM和模拟调光功能。它具有OPENLED标志,表示LED串何时被移除。DC2020A在350kHz开关频率下具有高效率。在高达67V的LED串高电压和300mA的LED电流下,单路开关控制器具有92%的效率。LT3955集成了内部80V、3.5A开关,可简化原理图和布局。
文档
-
DC2020A - Schematic2013/4/29PDF72K
-
DC2020A - Demo Manual2013/5/1PDF403K
-
DC2020A - Design Files2013/4/29ZIP2M




