文档
-
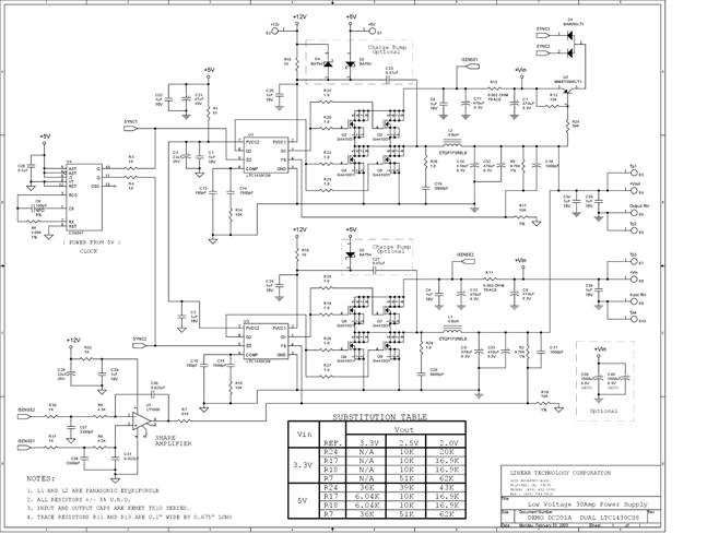
DC201A - Schematic2009/9/24PDF87K
-
DC201A - Demo Manual2009/9/24PDF1M
-
DC201A - Design File2009/9/24ZIP522K
