文档
-
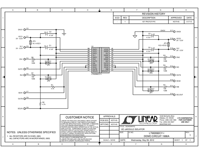
DC1986A - Schematic2013/8/1PDF18K
-
DC1986A - Demo Manual2013/8/1PDF690K
-
DC1986A - Design Files2013/8/1ZIP378K
