概览
产品详情
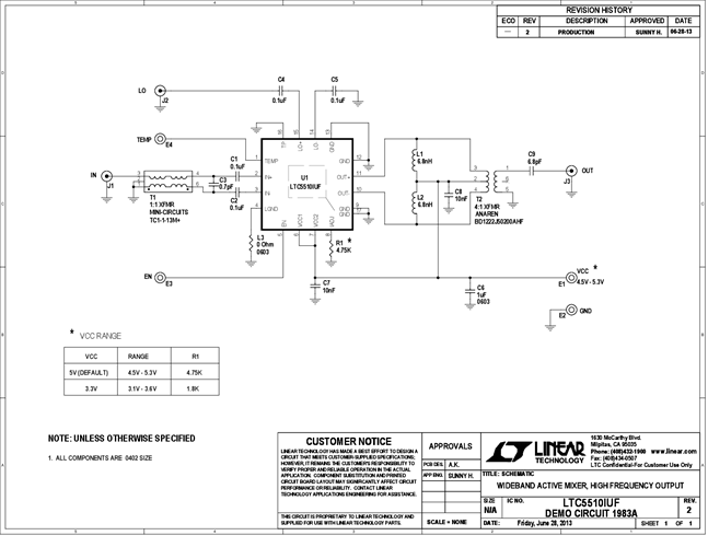
DC1983A: Demo Board for the LTC5510 1MHz to 6GHz Wideband High Linearity Active Mixer.
文档
-
DC1983A - Schematic2013/8/26PDF45K
-
DC1983A - Demo Manual2013/8/26PDF740K
-
DC1983A - Design Files2013/8/26ZIP1M




