概览
产品详情
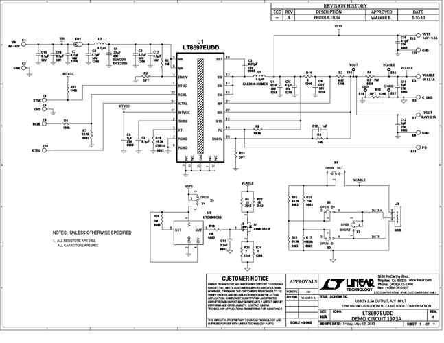
Demonstration circuit 1973A is a USB 5V 2.5A output, 6V to 42V input synchronous buck with cable drop compensation featuring the LT8697. The LT8697 is a compact, high efficiency, high speed synchronous monolithic step-down switching regulator designed to power 5V USB applications. A precise output voltage and programmable cable drop compensation maintain accurate 5V regulation at the USB socket at the end of a long cable. The circuit runs at 2MHz to minimize external components size and to avoid AM band.
文档
-
DC1973A - Schematic2013/9/10PDF84K
-
DC1973A - Demo Manual2013/8/14PDF391K
-
DC1973A - Design Files2013/9/10ZIP2M
