概览
产品详情
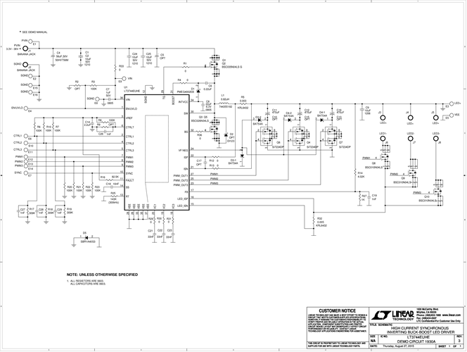
演示电路1930A是一款采用LT3744的高电流同步反相降压-升压LED驱动器。LT3744上使用的独特驱动级可将三个LED的阳极连接在一起,以便采用反相升降压配置(LED阳极接地)和降压配置(在单独的演示电路DC2339A中显示)时改善散热。每种配置的优缺点请参见数据手册。DC1930A针对高功率LED和激光二极管(不包括)。3个LED采用相同的输出驱动,但每个LED可单独控制。输入电压范围为3.3V至30V;但是,为保持12A电流调节性能,必须施加最小7V的电压。
文档
-
DC1930A - Schematic2015/12/4PDF40K
-
DC1930A - Demo Manual2015/12/4PDF834K
-
DC1930A - Design Files2016/4/21ZIP1M
