文档
- 
                                                                
                                                                    
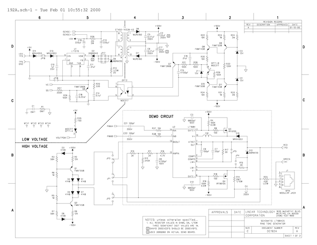
                                                                                                                                            DC192A - Schematic2009/9/24PDF371K
 
- 
                                                                
                                                                    
                                                                                                                                            DC192A - Demo Manual2009/9/24PDF78K
 
- 
                                                                
                                                                    
                                                                                                                                            DC192A - Design File2009/9/24ZIP1M
 
                                                