概览
产品详情
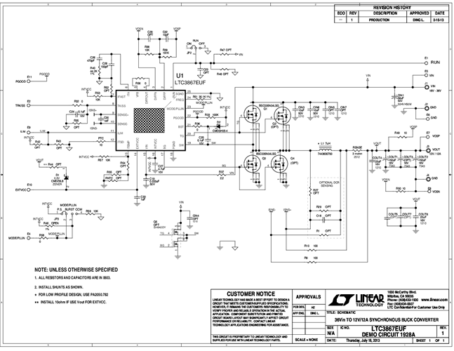
Demonstration circuit 1928A is a single output synchronous buck converter featuring the LTC3867EUF in a 24-lead 4mm x 4mm QFN package. The input voltage range is from 18V to 36V.
相关产品
文档
- 
                                                                
                                                                    
                                                                                                                                            DC1928A - Schematic2013/7/23PDF66K
 
- 
                                                                
                                                                    
                                                                                                                                            DC1928A - Demo Manual2013/5/21PDF1M
 
- 
                                                                
                                                                    
                                                                                                                                            DC1928A - Design Files2013/7/23ZIP957K
 
                                                