概览
产品详情
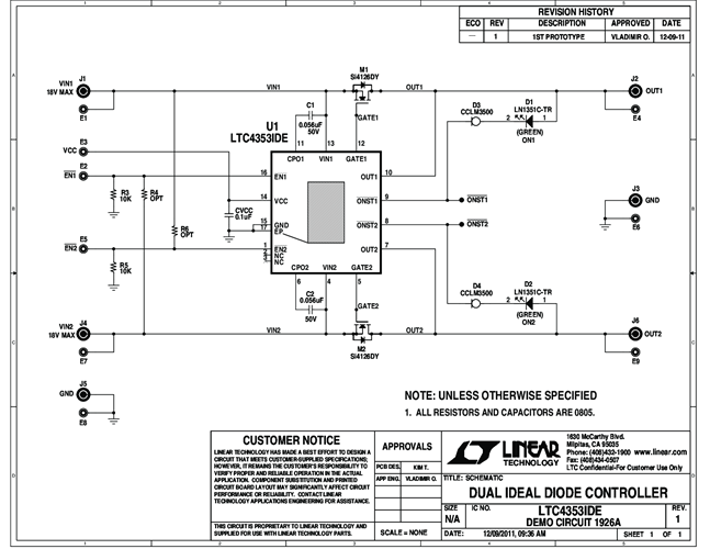
DC1926A: Demo Board for the LTC4353 Dual Low Voltage Ideal Diode Controller.
相关产品
文档
-
DC1926A - Schematic2012/10/23PDF35K
-
DC1926A - Demo Manual2012/8/24PDF125K
-
DC1926A - Design Files2012/10/23ZIP695K




