概览
产品详情
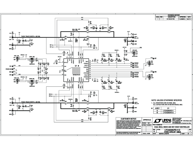
DC1899A-B: Demo Board for the LTC4228-1/LTC4228-2 Dual Ideal Diode and Hot Swap Controller.
相关产品
文档
-
Hot Swap Controllers2023/8/2PDF0 M
-
DC1899A - Schematic2013/4/1PDF51K
-
DC1899A - Demo Manual2013/4/1PDF210K
-
DC1899A - Design Files2013/4/1ZIP982K
