概览
产品详情
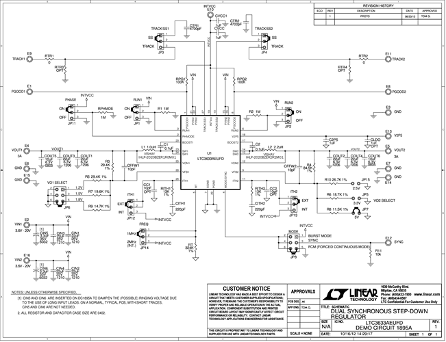
演示电路DC1895是一款双输出稳压器,它由基于双通道同步单片式降压型稳压器LTC3633A的两个恒频降压转换器组成。DC1895的输入电压范围为3.6V至20V,每个稳压器均能够提供高达3A的输出电流。DC1895在突发模式(BurstMode®)或强制连续模式下都可以工作。在关断状态下,DC1895的总消耗电流低于15μA。DC1895是非常高效的电路:任一电路效率均高于90%。DC1895采用28引脚QFN LTC3633AEUFD封装,该封装在IC底部具有裸露焊盘,可提高散热性能。这些特性以及500kHz至4MHz的可编程工作频率范围(将RT引脚连接到INTVCC时开关频率为2MHz)使DC1895演示板成为工业电源或分布式电源应用的理想电路。
相关产品
文档
-
DC1895A - Schematic2014/7/9PDF71K
-
DC1895A - Demo Manual2017/5/30PDF1M
-
DC1895A - Design Files2014/7/9ZIP3M




