概览
产品详情
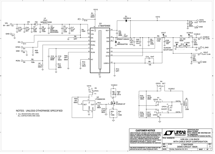
Demonstration circuit 1893A is a USB 5V, 2.4A output, 35V input buck with cable drop compensation featuring the LT3697. The LT3697 is a step-down switching regulator designed to power 5V USB applications. A precise output voltage and programmable cable drop compensation maintain accurate 5V regulation at the USB socket at the end of a long cable. The circuit was designed to run at 500kHz to avoid the AM band. The demo board has an EMI filter installed. The radiated EMI performance of the board is on Figures 3 to 5, showing the circuit passes CISPR25 Class 5 with a wide margin.
相关产品
文档
- 
                                                                
                                                                    
                                                                                                                                            DC1893A - Schematic2014/11/3PDF38K
- 
                                                                
                                                                    
                                                                                                                                            DC1893A - Demo Manual2014/11/3PDF514K
- 
                                                                
                                                                    
                                                                                                                                            DC1893A - Design Files2014/11/3ZIP1M
 
                             
                         
                         
                                                