概览
产品详情
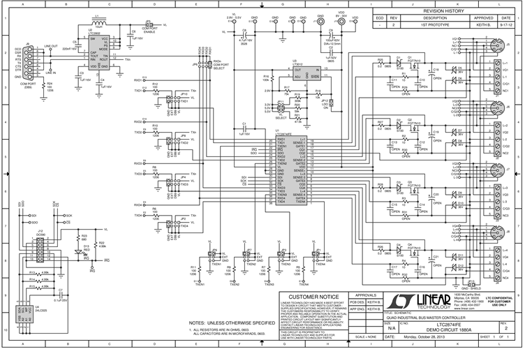
Demonstration circuit 1880A showcases the LTC2874, a quad Hot Swap™ controller and PHY suitable for IO-Link® master and other applications. DC1880A operates from an external supply VDD and utilizes the DC590 USB serial controller board to communicate with the LTC2874 using SPI protocol.
相关产品
文档
-
DC1880A - Schematic2013/12/9PDF37K
-
DC1880A - Demo Manual2013/12/9PDF493K
-
DC1880A - Design Files2013/12/9ZIP1M
-
Rugged IO-Link Solutions2014/10/1 LT Journal




