概览
产品详情
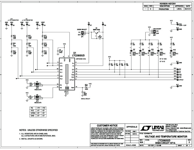
DC1871A: Demo Board for the LTC2995 Temperature Sensor and Dual Voltage Monitor with Alert Outputs.
文档
-
DC1871A - Schematic2012/7/24PDF37K
-
DC1871A - Demo Manual2012/7/19PDF123K
-
DC1871A - Design Files2012/7/24ZIP762K
