概览
产品详情
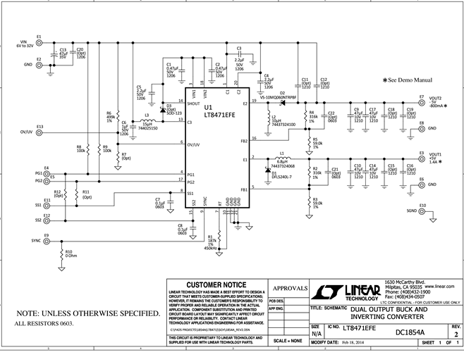
DC1854A is a dual output buck and inverting converter. It provides 5V and –5V power from 6V to 32V input. The 5V output can source up to 1.4A load current and the –5V output can source up to 800mA load current. See the load current versus input voltage figures inside this demo manual for more information. The internal skyhook supply is used to provide voltage to the internal npn switch and can be used for various topologies. Although they are assembled as a single inductor buck and a single inductor inverting converter on DC1854A, the two DC/DC converters can be altered for different topologies.
文档
-
DC1854A - Schematic2014/2/21PDF75K
-
DC1854A - Demo Manual2014/2/21PDF394K
-
DC1854A - Design Files2014/2/21ZIP2M




