概览
产品详情
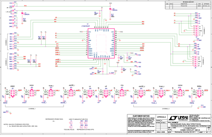
DC1851A: Demo Board for the LTC2872 RS232/RS485 Dual Multiprotocol Transceiver with Integrated Termination.
相关产品
文档
-
DC1851A - Schematic2012/12/4PDF68K
-
DC1851A - Demo Manual2012/12/4PDF544K
-
DC1851A - Design Files2012/12/4ZIP4M




