概览
产品详情
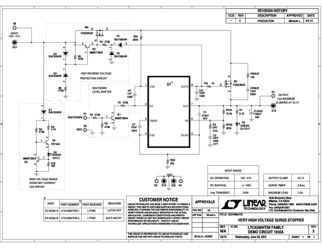
DC1850A-A: Demo Board for the LTC4366-1/LTC4366-2 High Voltage Surge Stopper.
文档
-
DC1850 - Schematic2012/10/18PDF42K
-
DC1850 - Demo Manual2012/10/9PDF327K
-
DC1850 - Design Files2012/10/18ZIP621K




