概览
产品详情
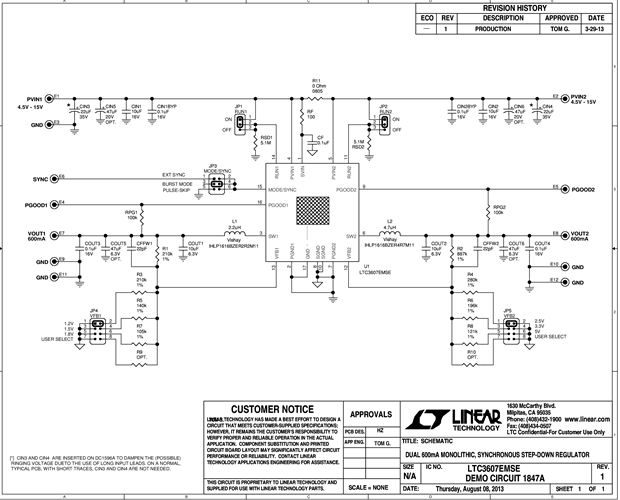
Demonstration circuit 1847 is a dual output regulator based on the LTC3607 monolithic dual channel synchronous buck regulator. The DC1847 has an input voltage range of 4.5V to 15V, with each regulator capable of delivering up to 600mA of output current. The DC1847 can operate in either Burst Mode® or pulse-skipping mode. In shutdown, the DC1847 can run off of less than 1μA total. The DC1847 is a very efficient circuit: up to 90%. The DC1847 uses the 16-Pin MSOP LTC3607 package, which has an exposed pad on the bottom-side of the IC for good thermal performance.
相关产品
文档
-
DC1847A - Schematic2014/3/17PDF53K
-
DC1847A - Demo Manual2014/3/17PDF739K
-
DC1847A - Design Files2014/3/17ZIP886K
