概览
产品详情
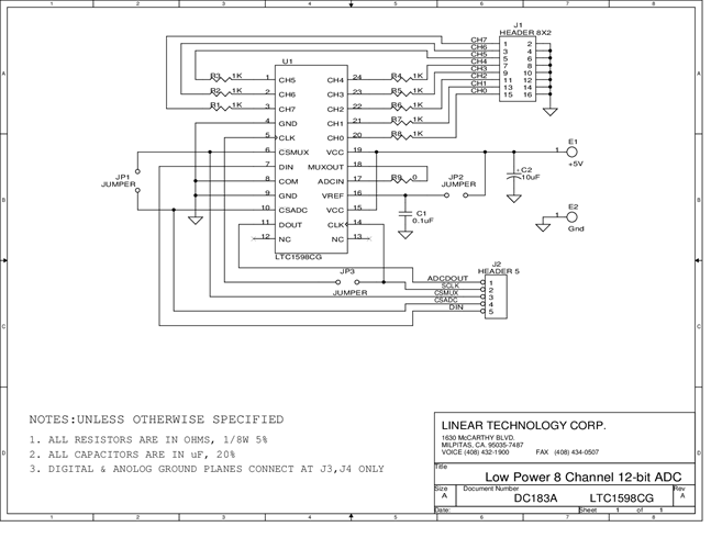
DC183A:LTC1598 8通道、微功率采样12位串行I/O模数转换器演示板。
相关产品
文档
-
DC183A - Schematic2012/5/9PDF18K
-
DC183A - Design Files2011/8/16ZIP220K
