概览
产品详情
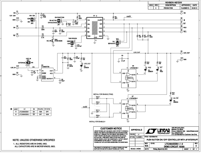
DC1836A-B: Demo Board for the LTC2955 Pushbutton On/Off Controller with Automatic Turn-On.
相关产品
文档
-
DC1836A - Schematic2012/6/21PDF47K
-
DC1836A - Demo Manual2012/6/6PDF218K
-
DC1836A - Design Files2012/6/21ZIP777K





