概览
产品详情
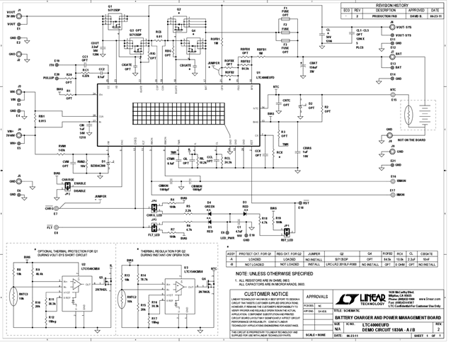
DC1830A-B: Demo Board for the LTC4000 High Voltage High Current Controller for Battery Charging and Power Management.
相关产品
文档
-
DC1830A - Schematic2012/7/26PDF99K
-
DC1830A - Demo Manual2012/7/26PDF1M
-
DC1830A - Design Files2012/7/26ZIP1M
