概览
产品详情
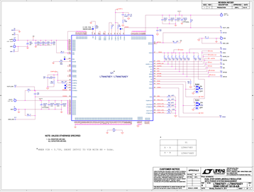
演示电路 1811B-A 是一款双输出、高效率、高密度 μModule® 稳压器,其输入范围为 4.5V 至 26.5V。每个输出可提供 13A 的最大负载电流。演示板采用了一个 LTM4676 μModule 稳压器,该器件是一款具有 PMBus 电源系统管理功能的双路 13A 或单路 26A 降压型稳压器。如需了解更多详细信息,请参见 LTM4676 数据手册。
相关产品
文档
-
DC1811B_ - Schematic2015/3/2PDF94K
-
DC1613A - Schematic2012/2/28PDF160K
-
DC1811B-A - Demo Manual2015/6/11PDF1M
-
DC1613A - Demo Manual2010/6/25PDF303K
-
DC1811B - Design Files2015/3/2ZIP2M
-
DC1613A - Design File2010/6/25ZIP1M
