概览
产品详情
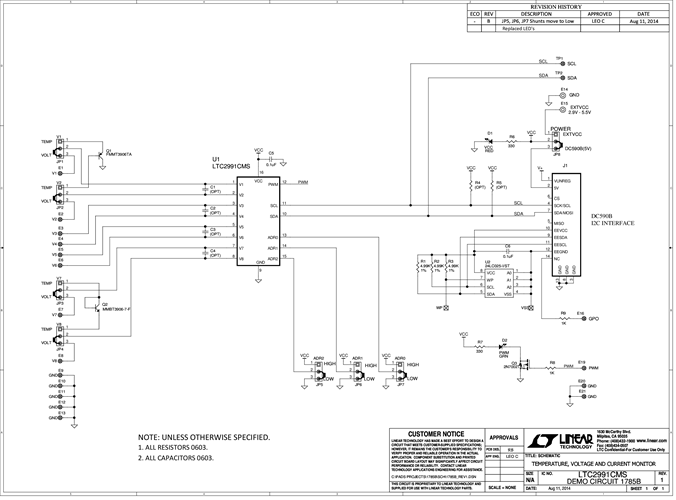
Demonstration circuit 1785B features the LTC2991, a high performance temperature, voltage and current monitor that uses an I2C interface for communication. It offers sub-millivolt voltage resolution, 1% current measurement and 1°C temperature accuracy.
相关产品
文档
-
DC1785B - Schematic2014/10/13PDF79K
-
DC1785B - Demo Manual2014/10/13PDF339K
-
DC1785B - Design Files2014/10/13ZIP2M




