概览
产品详情
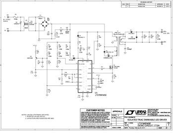
DC1775A: Demo Board for the LT3799 Offline Isolated Flyback LED Controller with Active PFC.
相关产品
文档
-
DC1775A - Schematic2012/2/8PDF68K
-
DC1775A - Demo Manual2012/2/8PDF330K
-
DC1775A - Design Files2012/2/8ZIP1M
