概览
产品详情
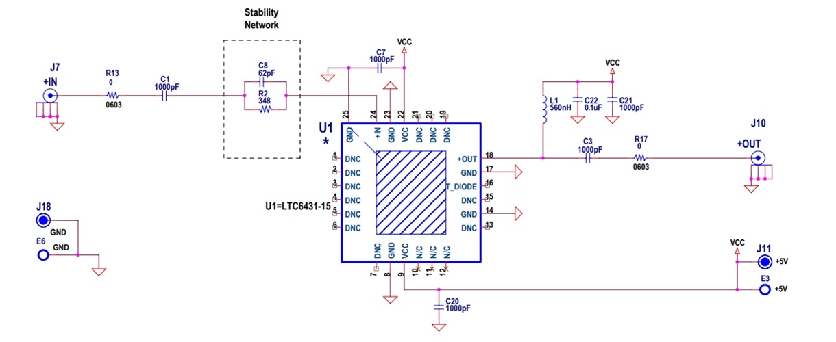
DC1774A-A:LTC6430-15高线性度差分RF/IF放大器/ADC驱动器演示板
相关产品
文档
-
DC1774A - Schematic2012/9/12JPEG129 K
-
DC1774A-A - Demo Manual2013/2/5PDF693K
-
DC1774A - Design Files2012/9/12ZIP1M
