概览
产品详情
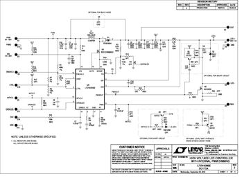
DC1772A is a high voltage LED controller with internal PWM dimming. It generates its own PWMOUT waveform for accurate PWM dimming with up to 25:1 brightness ratio. It accepts an input voltage from 8V to 60V (8V UVLO and 9.1V rising turn-on), and drives up to 60V of LEDs at 1A (when PVIN is less than VLED).
DC1772A features both PWM and analog dimming of the LED string. It has an OPENLED flag that indicates when the LED string has been removed. DC1772A features high efficiency at 350kHz switching frequency. At high LED string voltages up to 60V and 1A of LED current, the single switch controller has 94% efficiency. The open LED overvoltage protection uses the IC’s constant voltage regulation loop to regulate the output to approximately 69.8V if the LED string is opened although it may reach 74V peak during transient from running LEDs to open. The maximum LED string voltage can be raised from 60V to 65V (or higher) with a simple charge of feedback resistors.
相关产品
文档
-
DC1772A - Schematic2012/10/10PDF47K
-
DC1772A - Demo Manual2015/5/22PDF298K
-
DC1772A - Design Files2012/10/10ZIP1M




