概览
产品详情
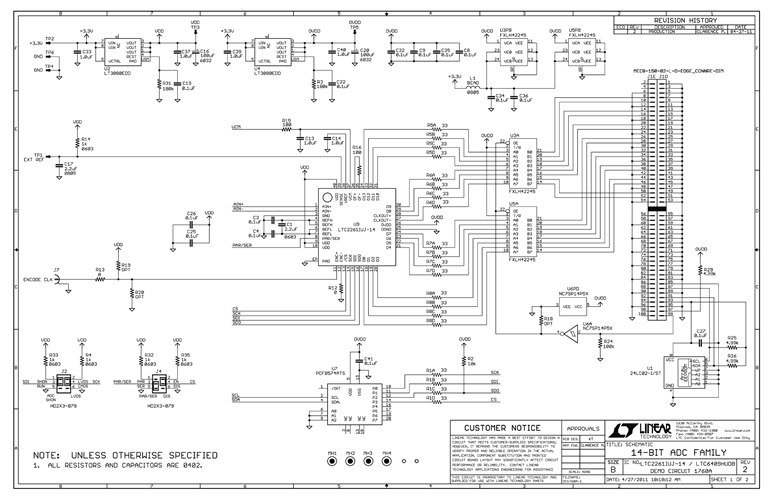
DC1760A Demo Board for:
LTC2261-14 14-Bit, 125Msps Ultra-Low Power 1.8V ADCs
LTC6409 10GHz GBW, 1.1nV/√Hz Differential Amplifier/ADC Driver
相关产品
文档
-
DC1760A - Schematic2012/5/18PDF74K
-
DC1760A - Demo Manual2011/4/4PDF2M
-
DC1760A - Design Files2011/5/25ZIP6M
