概览
产品详情
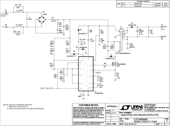
DC1744A: Demo Board for LT3799 Offline Isolated Flyback LED Controller with Active PFC.
相关产品
文档
-
DC1744A - Schematic2012/3/28PDF59K
-
DC1744A - Demo Manual2011/7/15PDF474K
-
DC1744A - Design Files2011/7/15ZIP2M
