概览
产品详情
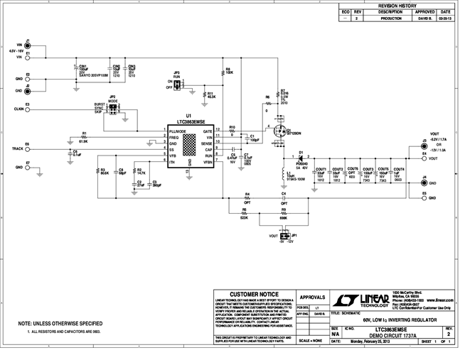
Demonstration circuit 1737A is a current-mode inverting DC/DC converter featuring the LTC3863. The board operates from an input range of 4.5V to 16V, and provides a –5.2V, 1.7A output or a –12V, 1A output (jumper selectable). It operates at 400kHz and may be synchronized to an external clock. A soft-start feature controls output voltage slew rate at start-up, reducing current surge and voltage overshoot. Burst Mode® operation that improves efficiency at light loads can be enabled with a jumper. A power good output signal is provided. The demonstration board has options for larger MOSFET and diode packages on the back of the board for higher output current requirements.
相关产品
文档
-
DC1737A - Schematic2013/7/12PDF46K
-
DC1737A - Demo Manual2013/5/7PDF498K
-
DC1737A - Design Files2013/7/12ZIP763K





