概览
产品详情
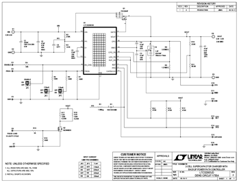
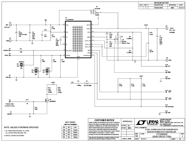
DC1735A: Demo Board for the LTC3226 2-Cell Supercapacitor Charger with Backup PowerPath Controller.
相关产品
文档
-
DC1735A - Schematic2012/3/28PDF81K
-
DC1735A - Demo Manual2011/8/31PDF133K
-
DC1735A - Design Files2011/8/31ZIP917K






