概览
产品详情
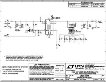
演示电路1728A是一款可调1.5A负线性稳压器,内置LT3015。该器件在300mV典型压差下提供高达1.5A的输出电流。工作静态电流通常为1.1mA,关断时降至< 1μA。在压差模式下,静态电流也受到很好地控制。除了快速瞬态响应之外,LT3015具有极低的输出噪声,使其非常适合噪声敏感应用。LT3015的一个重要特性是能够提供宽输出电压范围。DC1728A可以设置为–1.22V、–2.5V、–5.0V、–12.0V、–15.0V以及用户可选值。
相关产品
文档
-
DC1728A - Schematic2012/3/28PDF31K
-
DC1728A - Demo Manual2011/8/17PDF196K
-
DC1728A - Design Files2011/8/17ZIP636K



